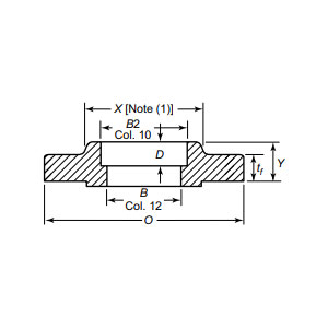
Flanșa de sudare prin soclu redefinește conexiunile conductelor de înaltă presiune prin integrarea rezistenței superioare cu dinamica fluidelor fără sudură, proiectată pentru a oferi performanțe de neegalat în aplicații compacte, cu mize mari. Proiectată pentru țevi de diametru mic, această flanșă folosește o configurație de sudură cu mufă care încapsulează îmbinarea de sudură în interiorul flanșei, eliminând proeminențele exterioare de sudură și minimizând rezistența la curgere - un avantaj critic în sistemele în care reducerea turbulenței și igiena sunt primordiale. Sudura ascunsă nu numai că simplifică curățarea și inspecția în medii sterile, cum ar fi fabricile farmaceutice sau de procesare a alimentelor, dar îmbunătățește și integritatea structurală, rezistând vibrațiilor și a creșterilor de presiune în rafinăriile de petrol și gaze, reactoare chimice sau linii de abur de înaltă presiune. Prelucrat cu precizie din oțel carbon forjat sau oțel inoxidabil, combină rezistența la coroziune cu o rezistență excepțională la tracțiune, asigurând o etanșare rezistentă la scurgeri chiar și la temperaturi și presiuni extreme.
| Gama de diametre | DN15(1/2")-DN150(6") |
| Presiune nominală | 1,6-16MPa |
| Certificat | PED, AD2000, EAC, ABS, BV, DNV, NORSOK M650, ISO9001, ISO14001, ISO45001 etc. |
| Introducerea funcției | Conexiune de sudură prin mufă, Designul de sudură ascuns reduce rezistența la curgere, Optimizat pentru aplicații de înaltă presiune cu diametru mic, Performanță superioară de etanșare |
| Câmpuri de aplicare | Aplicabil la conexiunile cu flanșă de conducte în conducte de petrol și gaze pe distanțe lungi, platforme offshore, echipamente chimice, sisteme de tratare a apei și industrii alimentare și farmaceutice, adaptate la condiții complexe de lucru. |
| Ambalare | Pachet navigabil, cutii de placaj sau palet sau conform cerințelor clienților |
| Produse recomandate | 1、 Comanda minimă pentru lot mic; |
Designul său compact simplifică instalarea în spații înguste, în timp ce conexiunea robustă rezistă expansiunii termice ciclice, făcându-l ideal pentru platforme offshore, turbine de generare a energiei și sisteme hidraulice. Prin eliminarea potențialelor puncte slabe și reducerea ciclurilor de întreținere, această flanșă dă putere industriilor să prioritizeze siguranța fără a compromite eficiența. Susținut de conformitatea cu standardele ASME B16.5 și de teste nedistructive riguroase, garantează fiabilitatea în operațiunile esențiale. Pentru inginerii care caută o soluție compactă, de înaltă presiune, care îmbină durabilitatea cu optimizarea fluidelor, flanșa de sudură cu priză este alegerea supremă. Creșteți-vă infrastructura astăzi cu flanșele noastre proiectate cu precizie, unde inovația se întâlnește cu rezistența, permițând sistemelor dumneavoastră să funcționeze cu precizie, siguranță și încredere de neclintit. Alegeți excelența, alegeți rezistența și transformați potențialul conductei dvs.
De la materia primă până la livrarea finală, menținem un control riguros în fiecare etapă pentru a asigura durabilitatea, performanța și consistența.
01
02
03
04
05
06
07
08
09
10
11
12
