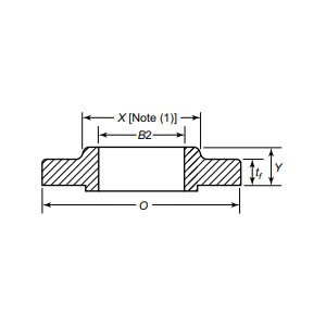
Flanșa Slip On este o piatră de temelie a soluțiilor de conducte rentabile, combinând simplitatea cu fiabilitatea pentru a satisface cerințele sistemelor de joasă presiune. Proiectată pentru o integrare fără efort, această flanșă alunecă peste țeavă și este asigurată printr-o sudură în filet, simplificând instalarea, reducând în același timp costurile cu forța de muncă și materiale - ideală pentru proiecte care țin cont de buget, fără a compromite performanța. Suprafața sa de etanșare netedă (FF) asigură funcționarea fără scurgeri în aplicații netoxice, de joasă presiune, cum ar fi rețelele municipale de apă, sistemele HVAC și conductele industriale generale, în timp ce fața concav-convexă (MF) ranforsată îmbunătățește integritatea etanșării pentru medii puțin mai solicitante.
| Gama de diametre | DN15(1/2")-DN3000(119") |
| Presiune nominală | PN6-PN16 |
| Certificat | PED, AD2000, EAC, ABS, BV, DNV, NORSOK M650, ISO9001 ISO14001, ISO45001 etc. |
| Introducerea funcției | Structură sudată simplă, soluție rentabilă, instalare ușoară, FF (față plată) pentru medii netoxice de joasă presiune, MF (mascul-femă) pentru etanșare îmbunătățită |
| Câmpuri de aplicare | Aplicabil la conexiunile cu flanșă de conducte în conducte de petrol și gaze pe distanțe lungi, platforme offshore, echipamente chimice, sisteme de tratare a apei și industrii alimentare și farmaceutice, adaptate la condiții complexe de lucru. |
| Ambalare | Pachet navigabil, cutii de placaj sau palet sau conform cerințelor clienților |
| Produse recomandate | 1, comandă minimă pentru lot mic; 2, Livrare rapidă; 3, producție personalizată; |
Fabricat din oțel carbon durabil sau oțel inoxidabil, rezistă la coroziune și la stres mecanic, făcându-l o alegere versatilă pentru industriile, de la procesarea alimentară până la fabricarea chimică, unde igiena și ușurința întreținerii sunt prioritare. Designul compact și ușor simplifică modernizarea și alinierea, reducând timpul de nefuncționare în timpul extinderilor sau reparațiilor sistemului. Indiferent dacă este utilizat în irigații agricole, instalații farmaceutice sau conducte maritime, flanșa Slip On se adaptează perfect la diverse configurații, asigurând conformitatea cu standardele ASME și EN. Prin echilibrarea accesibilității cu o inginerie robustă, dă putere inginerilor să optimizeze costurile de infrastructură fără a sacrifica siguranța. Îmbunătățiți-vă sistemele de conducte astăzi cu flanșele noastre Slip On — unde simplitatea se întâlnește cu puterea, permițându-vă să construiți mai inteligent, să vă întrețineți mai ușor și să operați cu încredere. Alegeți eficiența, alegeți fiabilitatea și transformați-vă infrastructura conductei astăzi.
De la materia primă până la livrarea finală, menținem un control riguros în fiecare etapă pentru a asigura durabilitatea, performanța și consistența.
01
02
03
04
05
06
07
08
09
10
11
12
