Flanșa Lap Joint redefinește flexibilitatea sistemelor de conducte, oferind o soluție dinamică pentru gestionarea tensiunilor de dilatare și contracție termică, permițând în același timp dezasamblarea fără sudură în aplicații de joasă presiune. Combinând un inel de flanșă robust cu o componentă cu flanșă pivotantă, acest design inovator permite mișcarea axială controlată a conductelor, absorbind eficient schimbările induse de temperatură fără a compromite integritatea structurală. Disponibil în două configurații — tip inel de sudură cap la cap (PJ/SE) pentru îmbinări sudate de înaltă precizie și tip inel de sudură plat (PJ/RJ) pentru o instalare simplificată — răspunde nevoilor operaționale diverse, menținând în același timp performanța rezistentă la scurgeri. Fabricată din oțel carbon premium sau oțel inoxidabil, flanșa rezistă la coroziune și uzură mecanică, asigurând fiabilitatea în industrii precum procesarea chimică, tratarea apei și producția de alimente, unde întreținerea frecventă sau modernizarea echipamentelor sunt de rutină.
| Diametrul | DN50(2")-DN2000(80") |
| Presiune | 0,6-2,5 MPa |
| Certificat | PED, AD2000, EAC, ABS, BV, DNV, NORSOK M650, ISO9001, ISO14001, ISO45001 etc. |
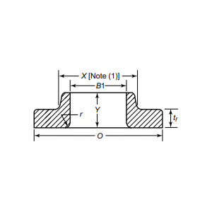
| Introducerea funcției | Combinat cu inelul de flanșă și flanșă, permite deplasarea axială a conductei și reduce solicitarea de dilatare termică. Tipuri: inel de sudare cap la cap (PJ/SE) și inel de sudură plat (PJ/RJ). Potrivit pentru conducte de joasă presiune care necesită dezasamblare frecventă. |
| Câmpurile de aplicare | Aplicabil la conexiunile cu flanșă de conducte în conducte de petrol și gaze pe distanțe lungi, platforme offshore, echipamente chimice, sisteme de tratare a apei și industrii alimentare și farmaceutice, adaptate la condiții complexe de lucru. |
| Ambalare | Pachet navigabil, cutii din placaj sau palet sau conform cerințelor clienților |
| Produse recomandate | 1、 Comanda minimă pentru lot mic; |
Mecanismul său rotativ simplifică alinierea în timpul asamblării, reducând costurile cu forța de muncă și timpul de nefuncționare în sisteme precum mașinile hidraulice, rețelele HVAC sau configurațiile industriale modulare. Izolând mișcarea flanșei de solicitarea conductei, prelungește durata de viață a garniturilor și șuruburilor, reducând cheltuielile de înlocuire pe termen lung. De la platformele offshore care necesită compensare termică până la fabricile farmaceutice care necesită conexiuni sterile, ușor de curățat, Flanșa Lap Joint asigură conformitatea cu standardele ASME și EN, adaptându-se în același timp la cerințele operaționale în evoluție. Susținut de teste riguroase și compatibilitate versatilă, dă putere inginerilor să proiecteze o infrastructură rezistentă, pregătită pentru viitor. Îmbunătățiți-vă sistemele de țevi astăzi cu flanșele noastre de îmbinare prin suprapunere, unde ingineria de precizie întâlnește rezistența adaptivă, permițând operațiunilor dumneavoastră să prospere în medii dinamice. Alegeți flexibilitatea, alegeți rezistența și deblocați o nouă eră a eficienței.
De la materia primă până la livrarea finală, menținem un control riguros în fiecare etapă pentru a asigura durabilitatea, performanța și consistența.
01
02
03
04
05
06
07
08
09
10
11
12
