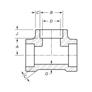
Un T Egal forjat este un fiting forjat esențial pentru țevi, cu trei orificii de diametru identic, conceput pentru a împărți sau combina fluxul de fluid, gaz sau abur în mod uniform în sistemele de conducte. Spre deosebire de teurile inegale, structura sa simetrică asigură o distribuție echilibrată a fluxului, eliminând dezechilibrele de presiune care ar putea perturba performanța sistemului, făcându-l un element de bază în aplicațiile industriale în care debitul constant este vital..
| Dimensiune | DN15(1/2")~DN600(24") |
| Nivel de presiune | Clasa 2000~6000 |
| Tip fir | NPT, BSPP, BSPT |
| Certificat | PED, AD2000, EAC, ABS, BV, DNV, NORSOK M650, ISO9001, ISO14001, ISO45001, etc. |
| Introducerea funcției | Realizați o rotire a țevii la 45°, designul conexiunii filetate economisește spațiu de instalare, potrivit pentru un aspect compact al conductelor. |
| Câmpuri de aplicare | Proiectat pentru sistemele de conducte de înaltă presiune, potrivit pentru conectarea și direcția pieselor cheie, cum ar fi rafinarea petrolului, echipamentele de energie nucleară, echipamentele chimice, recipientele sub presiune ale cazanelor etc. |
| Ambalare | Pachet navigabil, cutii din placaj sau palet sau conform cerințelor clienților |
| Produse recomandate | 1, comandă minimă pentru lot mic; |
Avantajele sale includ integritatea structurală robustă (forjarea minimizează riscurile de fisurare), integrarea ușoară (conexiunile sudate/filetate se potrivesc țevilor standard) și durată lungă de viață. Permițând un flux uniform, reduce uzura componentelor din aval, făcându-l esențial pentru operațiuni fiabile și eficiente ale conductelor.
De la materia primă până la livrarea finală, menținem un control riguros în fiecare etapă pentru a asigura durabilitatea, performanța și consistența.
01
02
03
04
05
06
07
08
09
10
11
12
