Cotul forjat cu filet de 90 de grade redefinește eficiența sistemelor de conducte, oferind o soluție robustă pentru schimbări precise de direcție de 90°, asigurând în același timp instalarea și întreținerea fără efort prin designul său de conexiune filetată. Fabricat din oțel carbon forjat de înaltă calitate sau oțel inoxidabil, acest cot combină rezistența excepțională cu rezistența la coroziune, făcându-l ideal pentru sistemele de fluide de joasă presiune, unde fiabilitatea și adaptabilitatea sunt primordiale. Capetele filetate permit asamblarea și dezasamblarea rapidă fără unelte specializate, simplificând rutinele de întreținere în aplicații precum rețelele de distribuție a apei, sistemele HVAC și configurațiile de irigare industrială. Designul său compact navighează cu ușurință în spații înguste, optimizând eficiența debitului, minimizând în același timp turbulențele și scăderile de presiune - un avantaj critic în medii înguste, cum ar fi inginerie marină, prelucrarea alimentelor și unitățile farmaceutice..
| Dimensiune | DN15(1/2")~DN600(24") |
| Nivel de presiune | Clasa 2000~6000 |
| Tip fir | NPT, BSPP, BSPT |
| Certificat | PED, AD2000, EAC, ABS, BV, DNV, NORSOK M650, ISO9001, ISO14001, ISO45001 etc. |
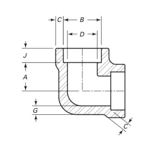
| Introducerea funcției | Folosit pentru rotirea cu 90° a conductelor cu racord filetat, ușor de dezasamblat și întreținut, potrivit pentru sistemele cu fluide de joasă presiune. |
| Câmpurile de aplicare | Proiectat pentru sistemele de conducte de înaltă presiune, potrivite pentru conectarea și direcția pieselor cheie, cum ar fi rafinarea petrolului, echipamentele de energie nucleară, echipamentele chimice, recipientele sub presiune ale cazanelor etc. |
| Ambalare | Pachet navigabil, cutii de placaj sau palet sau conform cerințelor clienților |
| Produse recomandate | 1、 Comanda minimă pentru lot mic; |
Proiectat pentru a rezista la fluctuații de temperatură și stres mecanic, acest cot asigură performanțe etanșe în sistemele hidraulice, comenzi pneumatice și linii de abur de joasă presiune, reducând timpul de nefuncționare și costurile operaționale pe termen lung. Prin eficientizarea traseului complex și prin eliminarea potențialelor puncte de defecțiune, dă putere industriilor să mențină o gestionare perfectă a fluidelor chiar și în amenajările cu spațiu limitat. Pentru inginerii care acordă prioritate durabilității, flexibilității și eficienței costurilor, cotul forjat cu filet de 90 de grade este un aliat de încredere. Îmbunătățiți-vă infrastructura astăzi cu coturile noastre forjate cu precizie, unde performanța robustă se întâlnește cu designul inteligent, asigurând că sistemele dumneavoastră funcționează impecabil în conformitate cu cerințele industriei moderne. Alegeți fiabilitatea, alegeți eficiența și transformați-vă rețelele de conducte cu o soluție creată pentru a rezista.
De la materia primă până la livrarea finală, menținem un control riguros în fiecare etapă pentru a asigura durabilitatea, performanța și consistența.
01
02
03
04
05
06
07
08
09
10
11
12
