Flanșa filetată revoluționează conectivitatea conductelor, oferind o soluție sigură și fără sudură pentru îmbinarea țevilor filetate, făcând-o alegerea supremă pentru mediile în care siguranța și adaptabilitatea nu sunt negociabile. Proiectată cu filetare internă de precizie, această flanșă se integrează perfect cu țevile din oțel galvanizat sau cu sistemele în care sudarea este interzisă, cum ar fi setările industriale inflamabile, explozive sau foarte sensibile. Designul său inovator elimină pericolele de incendiu asociate cu sudarea, asigurând respectarea protocoalelor stricte de siguranță, oferind în același timp o etanșare robustă, rezistentă la scurgeri, care face față cerințelor de înaltă presiune. Conexiunea filetată permite instalarea și dezasamblarea rapidă, dând putere echipelor de întreținere să depaneze sau să actualizeze sistemele fără echipamente specializate, reducând timpul de nefuncționare în operațiuni critice precum procesarea chimică, distribuția petrolului și gazelor sau producția farmaceutică..
| Dimensiune | DN15(1/2")-DN600(24") |
| Presiune nominală | 0,6-4,0 MPa |
| Interval de temperatură | -45℃ până la 260℃ |
| Certificat | PED, AD2000, EAC, ABS, BV, DNV, NORSOK M650, ISO9001, ISO14001, ISO45001, etc. |
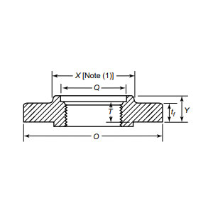
| Introducerea funcției | Flanșa filetată se conectează la țeava filetată prin filetul intern al țevii, eliminând sudura. Ideal pentru țevi din oțel galvanizat sau medii de sudare restricționate (inflamabile/explozive). Dispune de instalare ușoară și întreținere flexibilă, potrivite în special pentru oțel aliat și alte materiale cu sudabilitate slabă. |
| Câmpuri de aplicare | Aplicabil la conexiunile cu flanșă de conducte în conducte de petrol și gaze pe distanțe lungi, platforme offshore, echipamente chimice, sisteme de tratare a apei și industrii alimentare și farmaceutice, adaptate la condiții complexe de lucru. |
| Ambalare | Pachet navigabil, cutii de placaj sau palet sau conform cerințelor clienților |
| Produse recomandate | 1, comandă minimă pentru lot mic; |
Ideală pentru materialele predispuse la provocări de sudare, cum ar fi oțelul aliat, flanșa filetată păstrează integritatea materialului, evitând fragilitatea sau deformarea cauzate de căldură. Construcția sa rezistentă la coroziune, disponibilă în oțel carbon sau oțel inoxidabil, asigură longevitatea chiar și în medii dure, de la platforme de foraj offshore până la sisteme de salubritate de calitate alimentară. Susținută de respectarea riguroasă a standardelor globale, această flanșă garantează fiabilitatea în aplicații cu mize mari, inclusiv sisteme hidraulice, conducte criogenice și transferuri de fluide combustibile. Pentru industriile care prioritizează siguranța, eficiența și întreținerea rentabilă, flanșa filetată este o soluție transformatoare. Creșteți-vă infrastructura astăzi cu flanșele noastre premium, unde inovația se întâlnește cu siguranța fără compromisuri, permițând sistemelor dumneavoastră să funcționeze impecabil în cele mai solicitante condiții. Alegeți încrederea, alegeți durabilitatea și redefiniți potențialul canalului dvs.
De la materia primă până la livrarea finală, menținem un control riguros în fiecare etapă pentru a asigura durabilitatea, performanța și consistența.
01
02
03
04
05
06
07
08
09
10
11
12
